CL21 epoxy powder encapsulated metallized polyester film capacitor

characteristic
Wide shade capacity range, small volume and light weight
Good self-healing and long life span
The flame retardant epoxy powder foam has good safety and good appearance consistency
It is suitable for DC and VHF signal's bypass and coupling
It is widely used to filter low pulse voltage
technical requirement

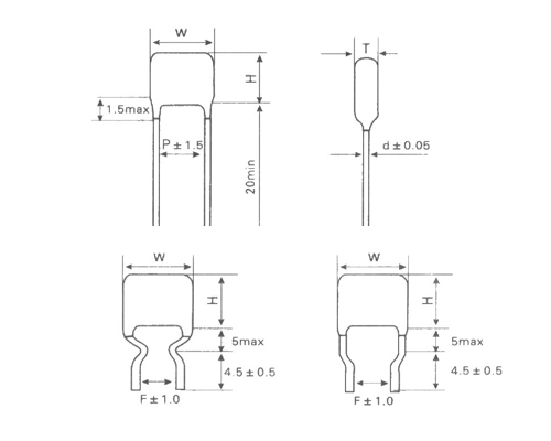
Dimensions

