High voltage metallized polypropylene film capacitor with cbb111 plastic shell

characteristic
It is suitable for high frequency, high pulse and high current
Low high frequency loss and low internal temperature rise
Temperature coefficient of negative capacity
Flame retardant plastic shell package
technical requirement

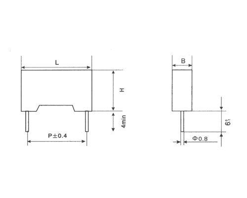
Dimensions

