Mkp21 plastic shell encapsulated metallized polypropylene film capacitor

characteristic
For high frequency, DC, pulse circuit
Low high frequency loss
Small size and light weight
Low internal temperature rise
Flame retardant plastic shell package
technical requirement

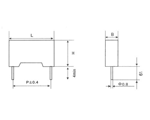
Dimensions
P=5

P=7.5




