Cls22 small metallized polycarbonate film capacitor with plastic shell

characteristic
Wide operating temperature range
Small volume and low loss
Good self-healing and high reliability
It is suitable for high temperature work
technical requirement

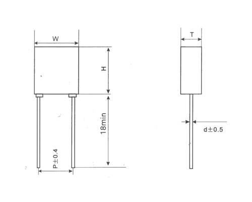
Dimensions

