Cbs21 plastic shell metallized polyphenylene sulfide film capacitor

characteristic
It has stable performance and good temperature and frequency characteristics
Low loss and high reliability
It is suitable for high temperature work
technical requirement

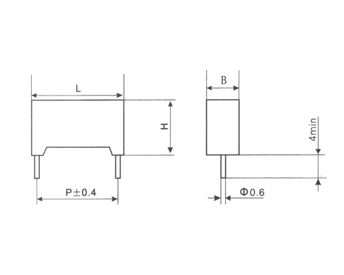
Dimensions

