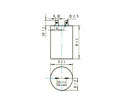
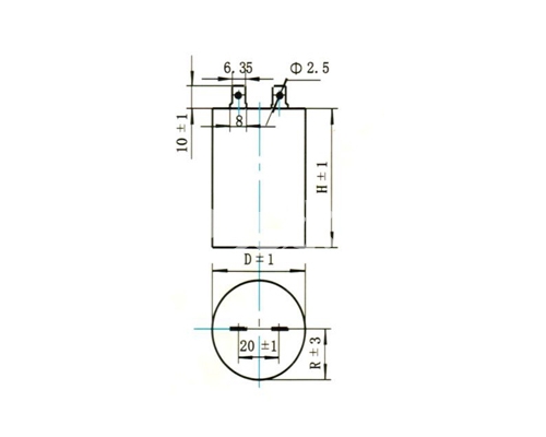
Outline drawing of cbb102 metallized polypropylene film fixed capacitor

characteristic
Cylindrical aluminum shell, epoxy resin package, unidirectional solder lead-in structure.
Low loss and self-healing.
It is mainly used in ZPW-2000 (a) tuning unit
technical requirement

Dimensions

