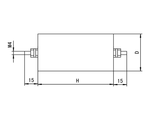
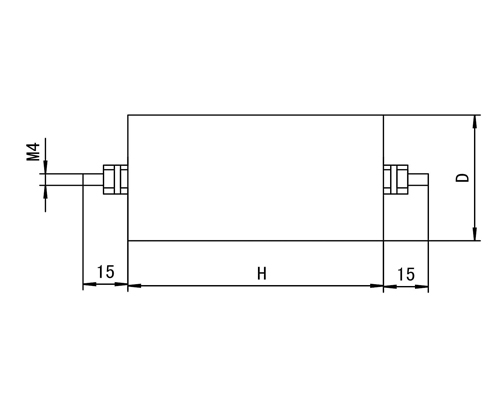
Outline drawing of cbb80d high voltage AC Metallized Polypropylene Film Capacitor

characteristic
For overvoltage protection
Low high frequency loss
Low internal temperature rise
Temperature coefficient of negative capacity
Flame retardant plastic shell package
technical requirement

Dimensions

