Contact

Beijing Zhongdian Beiyuan Electronic Technology Co., Ltd

Contact person: Manager Wang

Company telephone: 010-62014289

Mobile phone: 13718362325

website: www.cebytronic.com

Email: weihuakeji@163.com

Address: No.32, Yanqi street, Yanqi Industrial Development Zone, Huairou District, Beijing


DC filter capacitor

Your current location: Home >> Products >> Power electronic capacitor

DC filter capacitor

  • Classification:Power electronic capacitor

  • Click:
  • Date:2020/09/18 09:27:34
  • Inquiry
Detailed

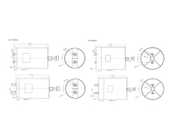
DC filter capacitor


C83 DC filter capacitor:

Insulating plastic shell, potted with epoxy resin;

It has the advantages of small equivalent series resistance, large ripple current, small self inductance, self-healing and long life;

It is used in DC filter circuit;

Energy storage and filtering are used in high power electronic equipment;

Means of transportation: electric vehicle or hybrid electric vehicle;

Welding equipment, variable speed drive, traction system;


Tag:DCfiltercapacitor

Browse:

Share
Wel to leave us a message
Please enter the message here, we will contact you as soon as possible.
Name
Contacts
Phone
Phone
Email
Email
Address
Address